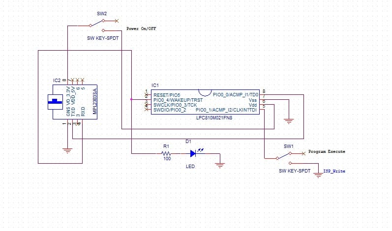
回路図
通信をするピンとLEDの出力が共有されてしまいますががなんとかいけそうです。(マイコンの動作に関係なくLEDが微妙に点灯している)
動作
わりと簡単に出来ました。プログラムは本に掲載されている通りで動きます。
説明補足
本であまり触れていなかったところを補足します。
SYstick割込みのメインの設定以下のようになります。

- 1行目
PIO0_4を出力設定しています。これは問題ないかな
- 2行目
図のヘッダファイルで定義されています。
符号なし整数として、32Bit幅で各レジスタが定義されており、unsigned long型の1という整数(1UL)をビットシフトしてマスクする定義が下に続いています。
さらに、同一のヘッダファイルをもう少し下にたどっていくと
1行目から2行目に渡ってSysTick関係のレジスタのアドレスを具体的に定義しています。SysTickの開始アドレスを0xE000E000UL(UL
はunsigned long型だよと意味)として定義していて、そのアドレスに0x0010ULを足したアドレスをSysTickの開始アドレスとして定義していますね。そして,
#define SysTick ((SysTick_Type*) SysTick_BASE ) /*!< SysTick configuration struct */
という記述で、SysTick_BASEという符号なし長整数の値をアドレスとして設定しているようです。
ハードウェアマニュアル
関係してハードウェアマニュアルの表を掲載しておきます。
