ここの説明は長くなります。きちんと理解したい方は頑張ってください。
我が国の配電系統は非接地系統が採用されています。これは、地絡事故時の地絡電流による対地電圧の上昇により感電事故が発生するリスクを抑えるためです。非接地系統であれば、基本的に地絡電流を低く抑えられます。
欠点としましては、地絡相以外の健全相(3本あるうちの地絡していない2本)の対地電圧が上昇してしましまいます。理屈的には相電圧の√3倍になってしまいます。しかし、対地電圧が上昇しても絶縁破壊の危険性が少ないだろうとの観点から高圧は非接地形式を取ったわけです。感電事故の危険性をどちらかというと重視したということでもあります。
先ほど、非接地と説明しましたが、ほんとに非接地である場合、柱上のトランスが混触により一線地絡した場合、電力会社側で事故検出するすべがありません。なので、配電系統側では非常に巧妙なことをしてあります。

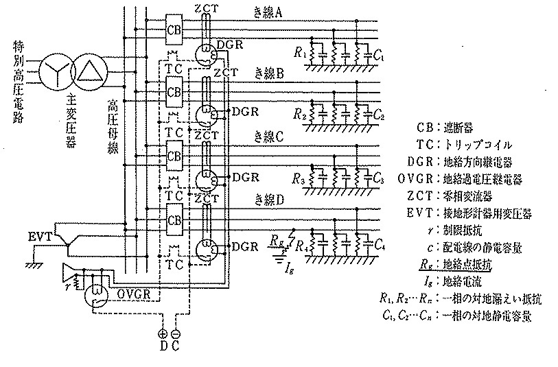
上図が規定での配電系統概略図になりますが、ここで重要な部分を拡大したものが下図の部分です。

EVTというのは、第一種電気工事士を勉強された方ならご存じかと思いますが、3巻き線の計器用変圧器(接地形計器用変圧器)です。この3次巻き線はオープンデルタ結線(またはブロークンデルタ結線)されていて、OVGR(地絡過電圧リレー)が設置されています。これは、配変の各き線に設置されているDGR用の位相基準としての対地電圧を測定する必要がありますが、地絡時に大地とEVT一時側中性点との間に発生する電圧が結構大きくなるのでこれをトランス介して検出すれば、低い電圧に変換してリレーに取り込めるからこのような仕組みにしてあります。
OVGRに並列にr(抵抗)がオープンデルタ結線に接続されておりますが、これは電流制限抵抗というもので、地絡事故時にEVT中性点に流れ込んでくる地絡電流を制限するためについています。この抵抗を一次側に換算すると、例えば電流制限抵抗の抵抗値が25Ωだとすると、EVT一次側中性点と大地との間に訳10000Ωが挿入されていることになります。
したがって、日本の高圧配電系統は非接地系統と呼ばれておりますが、正確にいうと。高抵抗接地系統というのが正しい理解になります。
先ほどの配電系統概略図にもとづいて説明します。
仮にき線Dの一番下の相が図のように地絡したとします。すると地絡電流が流れるわけですが、この地絡電流の流れ方が問題になります。
各き線A~Dの各相と大地との間に入っている抵抗はケーブルの絶縁抵抗なのできわめて大きな抵抗値なるのでこれを無視すると、配電線と大地とに形成されるケーブルの対地静電容量だけになります。
三相交流は地絡が発生した時点でバランスを崩しますので、もう三相交流では無くなるという考え方をしてください。
地絡点の抵抗Rgを通して流れる地絡電流は、EVTの一次側中性点に流れ込もうとしますが、もちろん健全相のケーブルに形成されている対地静電容量を通してもEVT一次側中性点に流れ混んできます。GRのように地絡電流の大きさだけで遮断するものが接地されている場合はこの健全相の対地静電容量を通して流れ込んでくる地絡電流により継電器が作動し地絡事故と判断して遮断し停電となってしまうわけです。つまり波及事故になります。これがいわゆるもらい事故というものです。
したがって、GRで地絡保護を行っている需要家では、自構内で地絡事故が起こっていないにもかかわらず、地絡電流をZCTが検出してGRが作動し停電してしまう可能性があります。
そろそろちゃんとした専門用語でいきたいと思います。地絡時に大地と中性点とに発生する電圧は、零相電圧といいます。通称V0(ブイゼロ)というものです。これは覚えてください。なぜなら継電器にもV0という表示がされておりなんのこっちゃわからないくなってしますからです。 位相は同一になります。したがってこれがDGRでの位相特性の基準になります。
地絡電流のことをI0(アイゼロ)といいます。これも覚えておいてください。I0はEVT中性点に向かって流れていくものと、散らしたき線の地絡相以外の電線および地絡していない他のき線の全相の対地静電容量に向かって流れ行くもの、それとわずかですがケーブルの対地絶縁抵抗を通って、(記載中)
DGR(地絡方向継電器)というのは、GRが地絡電流の大きさをとらえてくるのに対して、地絡電流の大きさ零相電圧(地絡時の対地電圧)の大きさをとらえ、それら2つの位相関係から、自構内で地絡しているか構外で地絡しているか判断する継電器です。なんだか難しいです。
この難しいDGRを理解するにはまずぜってい必要な考え方が、重ね合わせの定理とテブナンの定理になります。
ここから少し理屈っぽい説明をしていきます。
先にお示しした、配電系統概略図とにらめっこしてください。
配電系統が健全な状態というのは、健全なときに働いている電源と、地絡事故が発生したときに流れる電流を供給する電源が釣り合っている状態だと考えてください。逆に言うと、地絡事故が生じた時の配電系統を流れる電流というのは、健全時の配電系統の電源と地絡電流を流す電源との重ね合わせであるということです。これがか重ね合わせの考え方になります。
また、健全なときの地絡電流というのは、漏れてしまう電流を無視すれば、勿論ゼロです。一方、地絡事故時に流れる地絡電流を供給する電源というのは、地絡電流を流す(仮想的な)電源そのものです。
したがって、地絡電流を計算するときは、この仮想的な地絡電流を流す電源と健全時のの配電系統の電源を短絡除去した回路を接続したとき人がれる電流値ということです(ついてこれてますでしょうか?)。
するとテブナンの定理から、各相のケーブルの絶縁抵抗および対地静電容量が各3相分へ入れいつ接続された回路と、EVT電流制限抵抗の一時側換算抵抗と、地絡事故時の電源とのへ入れいつ回路が形成されます。ちなみにこれは第3種電気主任技術者試験にて出題される時があります(しかしながら、これを本当に理解している主任技術者の方が少ないような気がします)。